
316不锈钢内六角圆柱端紧定螺钉涂防松胶GB79
规格尺寸:M1.6-M24
标准号:GB/T79
材质:316不锈钢
头型:内六角柱端
商品详情
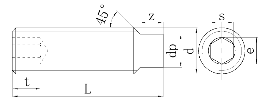
产品图纸

产品名称:
316不锈钢内六角圆柱端紧定螺钉涂防松胶GB79
产品参数


【应用案例】
化学设备安装
在化学设备中,尤其是涉及高温和腐蚀环境的场所,316不锈钢内六角圆柱端紧定螺钉涂防松胶能够确保长时间的稳定性,避免螺钉因环境恶劣而松动,保障设备安全运行。
海洋工程
由于316不锈钢具有卓越的耐海水腐蚀性能,这款紧定螺钉广泛应用于船舶、海上平台及其他海洋设备的紧固系统,确保在海水环境中的长期使用。
高端机械设备
高端机械设备,特别是需要承受持续振动和冲击的应用,如高速机械、精密设备等,采用此螺钉可有效防止松动,延长设备使用寿命,减少维护成本。
航空航天领域
在航空航天领域,螺钉的稳定性和防松能力至关重要,316不锈钢内六角圆柱端紧定螺钉涂防松胶能够在高温、低温及极端气候条件下保证紧固效果,是关键零部件的理想选择。
汽车制造业
在汽车制造中,特别是高性能汽车的发动机及传动系统中,涂有防松胶的紧定螺钉可有效防止高负荷下的松动,确保关键部件的长期稳定运行。
【注意事项】
安装前确认紧固力矩
安装时应根据实际应用环境选择合适的紧固力矩,避免过紧或过松,影响螺钉性能和使用寿命。
防松胶失效风险
在极高温度或强酸碱环境下,防松胶可能会出现失效现象,因此应注意对使用环境进行适配选择。
避免反复拆卸
由于防松胶的特性,频繁拆卸可能会导致胶层破损,影响防松效果,因此应尽量避免频繁拆装。
表面清洁
在使用前,需要确保螺钉表面无油污、尘土等杂质,以确保防松胶的附着力,避免影响紧固效果。
不适用于过度振动环境
对于存在极端振动或冲击的工况,建议选择更为强力的紧固解决方案。
【技术问答】
问题:为什么要选择316不锈钢材质?
答:316不锈钢具有优异的耐腐蚀性,尤其适用于高温、酸碱及海洋环境。它能有效抵抗腐蚀,延长螺钉的使用寿命。
问题:防松胶的作用是什么?
答:防松胶能增加螺钉的摩擦力,防止在振动或外力作用下发生松动,确保螺钉长时间的稳定紧固。
问题:内六角设计有什么优势?
答:内六角设计使得安装时可以使用专业工具进行精准紧固,减少操作误差,避免螺钉头部损坏,提供更好的安装体验。
问题:该产品适合哪些工作环境?
答:适用于高腐蚀性环境(如化学工厂、海洋平台)、高温或低温环境,以及需要承受振动和冲击的工业场景。
问题:涂防松胶后还能重复使用吗?
答:防松胶提供了长期稳定的防松效果,但频繁拆卸会影响胶层的完整性,因此不建议频繁拆卸。
【保存提示】
避免高温暴露
316不锈钢内六角圆柱端紧定螺钉应避免暴露在高温环境下,尤其是在超过100°C的情况下,防松胶可能会提前失效。
存储环境干燥
产品应存放在干燥、通风良好的环境中,避免潮湿环境可能引起防松胶或金属部件的劣化。
避免阳光直射
长时间的紫外线照射可能会对防松胶产生不良影响,因此应避免将产品暴露在阳光直射的地方。
定期检查
即使是存储中,也应定期检查螺钉的外观及防松胶的完整性,以确保在使用时能够正常发挥作用。
包装完好保存
产品应保持原厂包装的完好性,避免螺钉与外界环境直接接触,确保其不被污染或损坏。
【组合方案】
与密封件配合使用
在需要防水、防尘的紧固环境下,可以与密封件搭配使用,进一步提高紧固件的密封性与防腐蚀性能。
与紧固剂配合使用
对于极端工况,建议与专业的紧固剂一起使用,增强紧固效果,确保产品在高压、高温等工况下稳定运行。
与缓冲垫配合使用
在需要减震的应用场景中,可以选择与缓冲垫搭配使用,减少震动对螺钉的影响,延长螺钉和设备的使用寿命。
与振动检测设备配合使用
若设备处于高振动环境中,结合振动检测设备使用,可以实时监测螺钉的稳定性,提前预警潜在松动风险。
与防腐涂层配合使用
在高腐蚀环境中,使用316不锈钢螺钉外加防腐涂层,能够提升其耐腐蚀性,更好地应对恶劣环境。
【应急处理】
松动螺钉应急处理
若发现螺钉松动,应立即停止设备运行,检查螺钉的防松胶是否仍完好,必要时重新涂抹防松胶,并进行适当的紧固。
超负荷紧急处理步骤
如果在操作过程中出现螺钉受力超负荷,导致紧固失败,应立即暂停操作,检查螺钉和设备部件是否受到损伤,若损坏严重,则需要更换螺钉。
防松胶失效处理
在高温或极端环境下,如果防松胶失效,建议使用专用工具进行重新涂胶,并调整螺钉紧固力矩,以确保最佳紧固效果。
设备出现振动过大时的处理
在设备出现过度振动时,应停止运行并检查螺钉是否松动,必要时增加额外的防振措施,确保设备正常运转。
腐蚀环境中的应急处理
若螺钉出现腐蚀现象,应检查螺钉的防腐效果,必要时进行表面清洁,并使用新的防腐涂层确保螺钉的耐用性。